Navigate and Visualize Your Design Spaces
Form Clear Paths of Convergence
Optimize Integrated Circuit Designs
Download ROAR Community Edition
ROAR (Robust Optimal Analog Reuse) is developed by myself - Alec Adair, an analog and mixed signal IC design engineer with extensive industry experience.
I hold a Master's degree in Electrical and Computer Engineering and a Bachelor's degree in Computer Engineering, both from the University of Utah where he conducted research under Professor Armin Tajalli in the Laboratory for Circuits and Systems (LCAS). I continue to collaborate closely with the LCAS lab to develop advanced integrated circuits & systems for high-performance and energy-efficient communication & computing systems in both my work and personal life. Right now I am mostly focused on automated circuit design and optimization using the C/ID methodology.
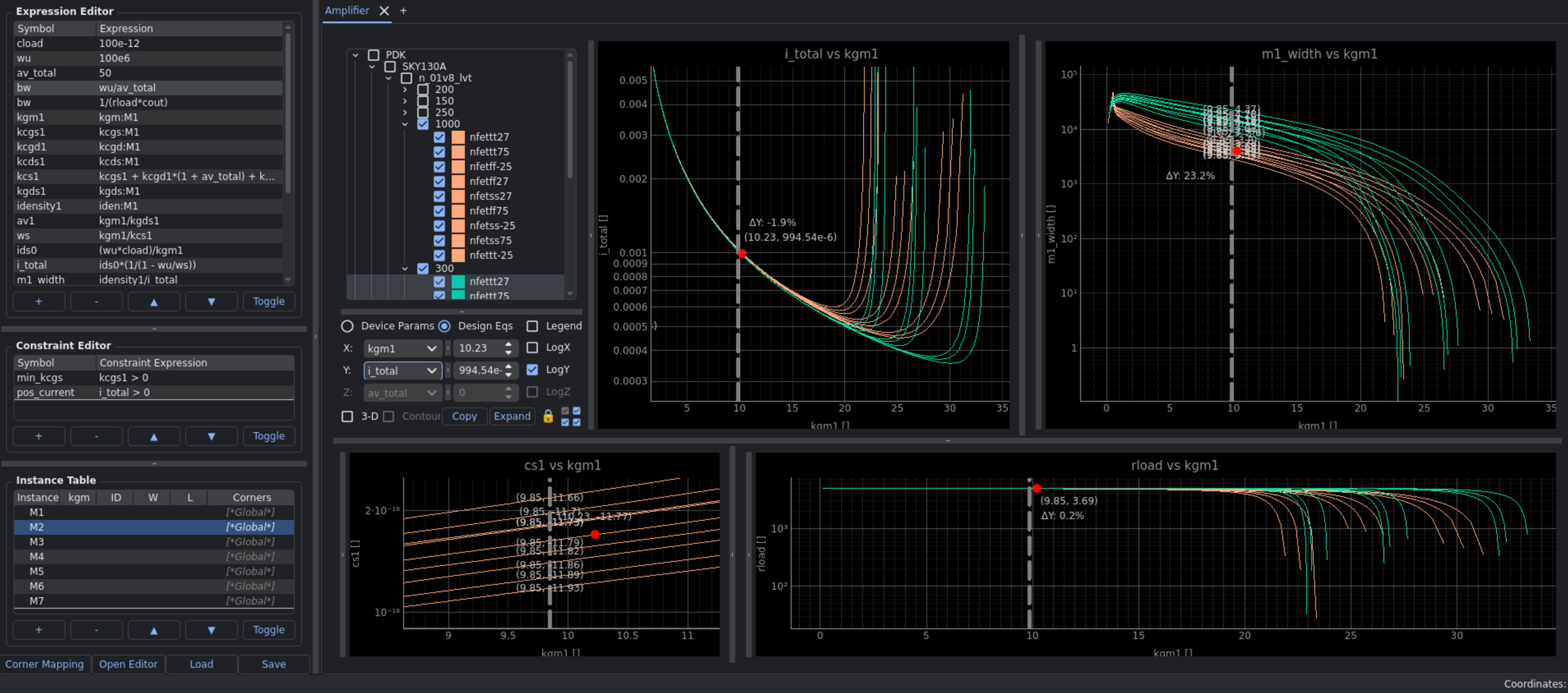
Optimal analog circuit design for a given specification is considered a nontrivial problem. Topological complexities, device models, and layout parasitic effects, all make the design of analog circuits time consuming and expensive. The goal of ROAR is to provide an analytical and visual design approach that provides design insight and opens the doors toward clear circuit optimization without much scripting from the user needed.
ROAR is intended to enable a circuit design methodology called the C/ID Methodology (an extension of the gm/id methodology). The proposed method can be used to optimally design analog circuits for speed, gain, and noise performance tradeoffs and requires minimum compute complexity in comparison to other methods.
Both the gm/id and C/ID methodologies rely transistor lookup tables based on extensive device characterization. This requires automated scripting and generally some programming skills to use the methodologies. In my work I have found this can be a barrier for use of the methods with many analog designers. ROAR is intended to remove this barrier by enabling the methods in a graphical fashion. With this ROAR also provides an extensive API for design scripting.
About
Contact Us
Interested in working together? Fill out some info and we will be in touch shortly. We can’t wait to hear from you!

